Werkbakken Hangend
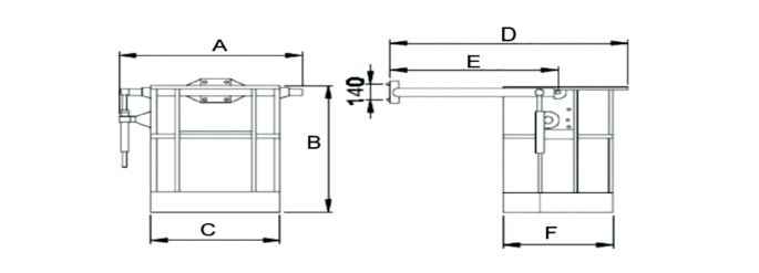
ArtikelModelCapaciteit GewichtABCDEFMax. aantal pers.Verkoopprijs
EG100242CES1ALCES1AL120 Lt64 Kg1206 mm1130 mm850 mm1441 mm966 mm7141 € 2.790,00
EG100243CES2ALCES2AL200 Lt78 Kg1756 mm1130 mm1406 mm1441 mm966 mm7142 € 2.995,00
EG100240CES1TUBCES1TUB120 Lt72 Kg1206 mm1130 mm850 mm1441 mm966 mm7141 € 2.600,00
EG100241CES2TUB200 Lt95 Kg1756 mm1130 mm1406 mm1441 mm966 mm7142 € 2.790,00
EG100244CES1VECES1VE120 Lt83 Kg1206 mm1130 mm730 mm1441 mm966 mm7141 € 2.875,00
EG100245CES2VECES2VE200 Lt105 Kg1756 mm1130 mm1280 mm1441 mm966 mm7142 € 3.255,00
Modelwijzigingen voorbehouden. Prijzen zijn richtprijzen excl. btw. en verzendkosten
Technische tekening CES Werkbakken
Afbeelding CES Werkbakken
Bestellijst

Uw winkelwagen is leeg.